AR1  ·  DC Circuits Exercise 8  ·  Introduction

DC Capacitors

// Charge  ·  Capacitance  ·  RC Circuits  ·  Applications

Learning Outcomes & Topics Covered

After This Section, You Will Be Able To

  • Explain the principles of operation of DC capacitors
  • Explain the importance of capacitance and voltage ratings of a capacitor
  • Measure capacitance using a capacitance meter
  • Calculate the capacitance of series and parallel capacitors
  • Explain the operation of resistor-capacitor (RC) circuits during charging and discharging
  • List applications of capacitors
  • Operate the DC capacitor component of the AC/DC Training System
Introduction · Topic 01

What Is a Capacitor?

  • Consists of two conducting materials (plates) separated by an insulating material called a dielectric (e.g., glass, air, paper)
  • Unlike resistors, capacitors do not convert power to work — they store electrical energy in an electric field
  • Main property: oppose voltage changes in a circuit
  • A pair of terminals provides access to the conducting plates
Key Difference
Resistors use almost all power supplied to them. Capacitors store it instead.
Figure 140b: Discharged capacitor cross-section showing random orientation of polar molecules in the dielectric
Operation · Topic 02 · Charging
Figure 140a: DC power source with open switch and discharged capacitor (E_C = 0V) Figure 141a: DC power source with closed switch charging a capacitor to E_C = 24V, current flowing

Charging a Capacitor

Switch closes → current flows from the power source into the capacitor
Conducting material on the positive side becomes positive; negative side becomes negative
Polar molecules in the dielectric align with the electric field — this is polarisation
Aligning the dielectric increases capacitance by reducing the effective field between the plates
When the charge inside the capacitor equals the source voltage (EC = ES), the capacitor is fully charged and current stops
Figure 140b: Discharged capacitor cross-section showing random orientation of polar molecules in the dielectric Figure 141b: Charged capacitor cross-section showing polar molecules aligned in the polarized dielectric
Operation · Topic 02 · Discharging

Discharging a Capacitor

  • A charged capacitor connected to a resistor acts as a DC power source — it drives current through the circuit
  • Discharge current flows in the opposite direction to charge current
  • The capacitor voltage drops and current decreases until both reach 0
Capacitor Leakage
In theory a charged capacitor holds its charge when disconnected. In practice, the voltage decreases slowly over time due to self-discharge (leakage).
Figure 141a: DC power source with closed switch charging a capacitor to E_C = 24V, current flowing Figure 142: Discharging capacitor (E_C = 24V) connected via closed switch through resistor R1, current flowing in reverse direction
Capacitance & Voltage Rating · Topic 03

Capacitance C

Measures the ability to store electrical charge in a unit called Farads (named after Michael Faraday).

Farads are a very large value, so smaller units like microfarads (µF), nanofarads (nF), and picofarads (pF) are commonly used.

Unit: Farad (F)
1 µF = 10−6 F  (microfarad — most common)
1 nF = 10−9 F  (nanofarad)
1 pF = 10−12 F  (picofarad)
Voltage Rating
Each capacitor has a working voltage — the maximum safe voltage. Exceeding it can deform the plates or cause the capacitor to explode.
Figure 143: Portrait of Michael Faraday, English scientist who made significant discoveries in electromagnetism and electrochemistry
Capacitance Measurement · Topic 04

Using a Capacitance Meter

Connected in parallel across the capacitor terminals — just like a voltmeter.

1 — Power off the circuit before measuring
2 — Connect the capacitance meter in parallel with the capacitor under test
3 — Read the capacitance value (in µF or nF)
Important
Never use a capacitance meter in a live circuit — it will give inaccurate readings and may be damaged. Also note that capacitors have a tolerance, like resistors.
Figure 144: Capacitance meter connected in parallel with a 16 µF capacitor, reading 16.0 µF on display
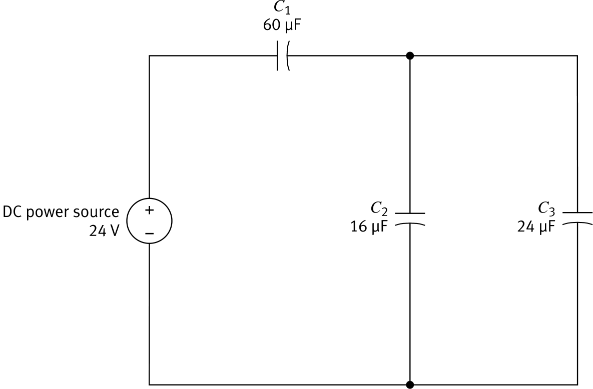
Series & Parallel Capacitors · Topic 05
Figure 146: Mixed circuit with C1=60µF in series, and C2=16µF parallel with C3=24µF, powered by 24V DC source

Mixed Capacitor Circuit

To find the equivalent capacitance, simplify step by step use the same approach as mixed resistor circuits, but the formulas are different.

Note
Capacitor combinations are the opposite of resistors: series = smaller total; parallel = larger total.
Series & Parallel Capacitors · Concept

Why Do Capacitors Combine Opposite to Resistors?

Think of resistors in terms of flow — how hard is it to push current through?

Series → More Resistance

Each resistor is a speed bump. Connecting them in series puts bumps one after another — current must overcome every one.

R₁ R₂
Series Resistors
Req = R1 + R2 + …
↑ total resistance INCREASES
Parallel → Less Resistance

Each resistor is a highway lane. More lanes means current has more paths to choose from — total resistance drops.

R₁ R₂
Parallel Resistors
1Req = 1R1 + 1R2 + …
↓ total resistance DECREASES
Series & Parallel Capacitors · Concept

Capacitors: It's About Plate Geometry

Capacitance lives in the geometry: bigger gap → weaker field → less C; bigger plate area → more field → more C.

Series → Bigger Gap → Less C

Plates in series effectively increase total gap between the outer plates — same as one capacitor with a wider dielectric, so total capacitance drops.

C₁ C₂ total gap = d₁ + d₂
Series Capacitors
1Ceq = 1C1 + 1C2 + …
↓ total capacitance DECREASES
Parallel → Bigger Area → More C

Plates in parallel effectively add plate area — same as one capacitor with wider plates, so total capacitance increases.

C₁ C₂ A₁ + A₂
Parallel Capacitors
Ceq = C1 + C2 + …
↑ total capacitance INCREASES
Series & Parallel Capacitors · Topic 05
Figure 146: Mixed circuit with C1=60µF in series, and C2=16µF parallel with C3=24µF, powered by 24V DC source

Mixed Capacitor Circuit

To find the equivalent capacitance, simplify step by step — same approach as mixed resistor circuits.

Series Formula
1Ceq = 1C₁ + 1C₂ + …
Parallel Formula
Ceq = C₁ + C₂ + …
Note
Capacitor combinations are the opposite of resistors: series = smaller total; parallel = larger total.
Series & Parallel Capacitors · Step 1
Figure 147: Simplified circuit after combining C2 and C3 in parallel: C1=60µF series with Ceq(C2,C3)=40µF
1

Combine C₂ ∥ C₃ (Parallel)

Parallel Formula
Ceq(C₂,C₃) = C₂ + C₃
Series & Parallel Capacitors · Step 1
Figure 147: Simplified circuit after combining C2 and C3 in parallel: C1=60µF series with Ceq(C2,C3)=40µF
1

Combine C₂ ∥ C₃ (Parallel)

C₂ = 16 µF, C₃ = 24 µF
Ceq(C₂,C₃) = C₂ + C₃
Ceq(C₂,C₃) = 16 + 24
Ceq(C₂,C₃) = 40 µF

Now the circuit has C₁ = 60 µF in series with Ceq = 40 µF.

Series & Parallel Capacitors · Step 2
Figure 148: Fully simplified circuit with single equivalent capacitor Ceq(C1,C2,C3) = 24µF
2

Combine C₁ + Ceq (Series)

Series Formula
1Ceq = 1C₁ + 1Ceq(C₂,C₃)
Series & Parallel Capacitors · Step 2
Figure 148: Fully simplified circuit with single equivalent capacitor Ceq(C1,C2,C3) = 24µF
2

Combine C₁ + Ceq (Series)

C₁ = 60 µF, Ceq(C₂,C₃) = 40 µF
1Ceq = 160 + 140
= 2120 + 3120 = 5120
Ceq = 1205
Ceq(C₁,C₂,C₃) = 24 µF
RC Circuits · Topic 06 · Charging
Figure 149: RC circuit during charge — DC power source E_S with switch, resistor R, and capacitor C in series. Charge current I_Charge flows when switch closes.

The RC Circuit

Adding a resistor to a capacitor circuit controls how quickly the capacitor charges by limiting current.

Time Constant τ (tau)
τ = R × C
τ in seconds  |  R in ohms (Ω)  |  C in farads (F)
Charge timeCapacitor charged to
63% of ES
86% of ES
95% of ES
≈ 100% — fully charged
RC Circuits · Topic 06 · Charging Curves

Capacitor Voltage & Current During Charge

Figure 150a: Capacitor voltage E_C as a percentage of source voltage E_S vs. charge time — exponential rise reaching 63% at τ, approaching 100% at 5τ
Figure 150b: Charge current I_Charge as a percentage of initial current I_0 vs. charge time — exponential decay from 100% to 37% at τ, approaching 0 at 5τ
Key Insight
As EC rises toward ES, the current decreases — less voltage difference means less driving force. Both curves take to complete.
RC Circuits · Topic 06 · Discharging
Figure 151: RC circuit during discharge — DC power source removed, capacitor C acts as the source driving discharge current I_Discharge (reverse direction) through resistor R

Discharging the RC Circuit

Once fully charged, disconnecting the DC source causes the capacitor to act as a power source itself.

  • The capacitor applies its voltage EC to the circuit
  • A discharge current flows — in the opposite direction to the charge current
  • EC decreases exponentially, as does the discharge current
  • After , the capacitor is considered fully discharged: EC ≈ 0 V, IDischarge ≈ 0 A
Same time constant applies
τ = R × C
RC Circuits · Topic 06 · Discharging Curves

Capacitor Voltage & Current During Discharge

Figure 152a: Capacitor voltage E_C as a percentage of initial discharge voltage E_0 vs. discharge time — exponential decay from 100% to 37% at τ, approaching 0 at 5τ
Figure 152b: Discharge current I_Discharge as a percentage of initial discharge current I_0 vs. discharge time — negative exponential, 37% at τ, approaching 0 at 5τ
Note on Current Direction
The discharge current is shown as negative — it flows opposite to the charge current. Its magnitude decays the same way as the voltage.
Applications of DC Capacitors · Topic 07

Applications in DC Circuits

  • Energy storage — store charge at one voltage, release it as a momentary power source
  • Camera flash — electrical energy stored in the capacitor discharges in a very short time through the flashbulb
  • Voltage spike absorption — capacitors oppose sudden voltage rises, protecting equipment from high current surges
  • Timer circuits — RC time constant defines operating and delay times in time-delay relays and timers
Figure 153: Camera taken apart showing the cylindrical capacitor used to power the camera flash
Figure 154: Various capacitor types shown together — electrolytic (large black cylinder), ceramic disc, film, tantalum, and others in different shapes and sizes
Training System Component · Topic 08

The Capacitor in the AC/DC Training System

The Festo AC/DC Training System includes three capacitors for lab exercises.

Component Specifications
2 × capacitor: 8.8 µF  (tolerance ±3%)
1 × capacitor: 4950 µF  (tolerance ±20%)
Voltage rating: 230 V max
  • Do not exceed 230 V — the capacitor will be damaged
  • The large 4950 µF capacitor stores significantly more energy

Lab Safety Checklist

Power off the circuit before connecting or disconnecting capacitors
Verify voltage does not exceed the 230 V rating
Discharge capacitors before measuring or reconfiguring
Use a capacitance meter to verify values before use
Report any swollen, warm, or leaking capacitors immediately
Electrical hazard
Electrical Hazard

Follow the discharge procedure before any manipulation involving capacitors. This ensures capacitors are fully discharged and prevents electrical shock from residual charge.