AR1  ·  DC Circuits Exercise 7  ·  Concept Overview

Parallel &
Mixed Circuits

// Resistance  ·  Voltage  ·  Current  ·  KCL

Core Concepts

Parallel Circuits

  • Components connect across the same two nodes
  • Each branch receives the same voltage
  • Current can split into multiple paths
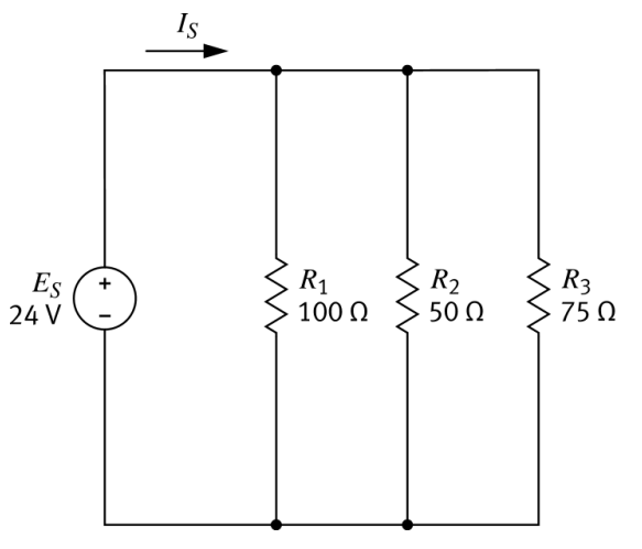
Parallel circuit with R1=100Ω R2=50Ω R3=75Ω at 24V
Equivalent Resistance

Resistance in Parallel

// Simplified Equivalent
Three parallel resistors circuit Simplified circuit with Req = 23.1Ω

Parallel resistors reduce total resistance.
Combine them into an equivalent resistor using the reciprocal formula:

1Req = 1R₁ + 1R₂ + 1R₃ + …
1Req = 1100 + 150 + 175
1Req = 0.010 + 0.020 + 0.013 = 0.043
Req = 10.043 = 23.1 Ω
Parallel Circuits

Voltage in Parallel

  • Voltage across every branch equals the source voltage
  • All parallel components share the same potential difference
Parallel circuit Eₛ=24V with three branch currents
Parallel Circuits

Current in Parallel

  • Current divides between branches
  • Branch current depends on resistance
  • Lower resistance branch carries more current
Parallel circuit showing branch currents
Kirchhoff's Laws

Kirchhoff's Current Law

  • Total current entering a junction equals total current leaving
  • Total current = sum of branch currents
  • Think of a fork in a river: water coming out equals water going in, even if one channel is narrower
Aerial view of a river splitting into two channels
Parallel circuit with Iₛ entering junction
KCL · Ohm's Law Applied

Solving Branch Currents with Ohm’s Law

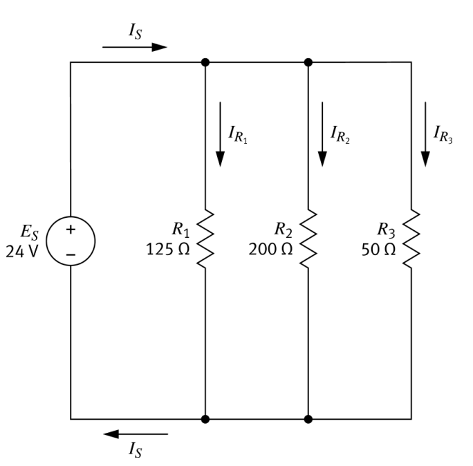
Parallel circuit R1=125Ω R2=200Ω R3=50Ω at 24V
Ohm's Law
Ohm's Law triangle V=IR
I = VR

The same source voltage (24 V) applies to every branch. Use Ohm's Law to find each branch current.

R₁ = 125 Ω :
IR₁ = ESR₁
= 24125 = 0.192 A
R₂ = 200 Ω :
IR₂ = ESR₂
= 24200 = 0.120 A
R₃ = 50 Ω :
IR₃ = ESR₃
= 2450 = 0.480 A
KCL · Verification

From Given Circuit to Source Current

Parallel circuit at 24V with R₁=125Ω, R₂=200Ω, R₃=50Ω Equivalent circuit with solved resistance used for source current calculation
Ohm's Law
Ohm’s Law triangle V=IR
I = VR

Total Current IS

To find the total source current, first simplify to find the equivalent resistance.

1Req = 1R₁ + 1R₂ + 1R₃
1Req = 1125 + 1200 + 150
1Req = 0.008 + 0.005 + 0.020 = 0.033
Req = 10.033 = 30.3 Ω

Calculate IS using Ohm’s Law and Req.

IS = ESReq
= 2430.3 = 0.792 A
KCL Check
IR₁ + IR₂ + IR₃ = IS
0.192 + 0.120 + 0.480 = 0.792 A ✓
Mixed Circuits

Mixed Circuits

  • Contain both series and parallel connections
  • Must be simplified step by step
1. Find & replace series resistor groups
2. Find & replace parallel resistor groups
3. Repeat until one Req remains
4. Calculate IS via Ohm's Law
5. Work backwards to find branch V and I
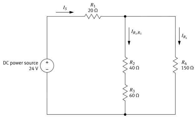
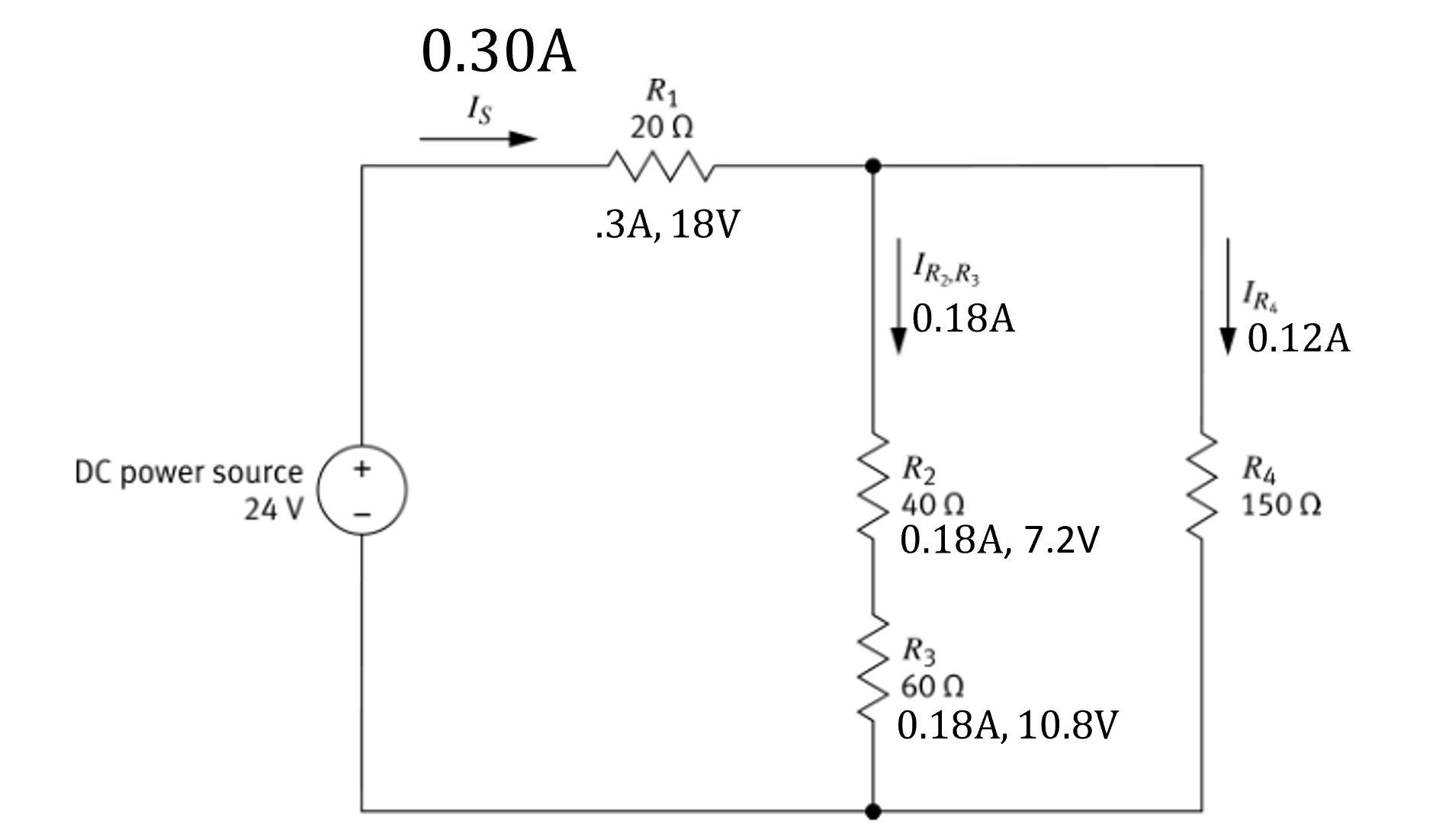
Textbook Example 1 — mixed circuit with R1=20Ω R2=40Ω R3=60Ω R4=150Ω at 24V
Mixed Circuit Example
1

Identify & Replace Series Resistors

Original Circuit
Original mixed circuit

R₂ and R₃ are in series.
Combine them:

Req = R₂ + R₃
Req = 40 + 60
Req = 100 Ω
After Step 1
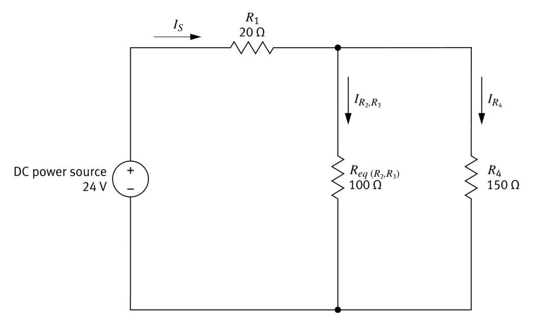
Simplified: R1=20Ω in series with parallel pair Req(R2R3)=100Ω and R4=150Ω
Mixed Circuit Example
2

Identify & Replace Parallel Resistors

After Step 1
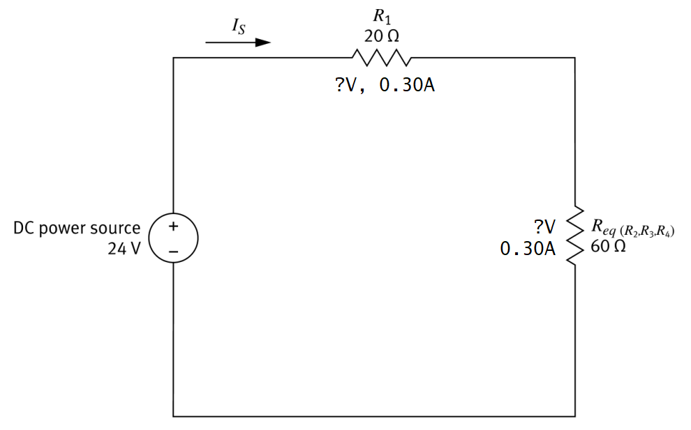
R1=20Ω series with Req(R2R3)=100Ω parallel to R4=150Ω

Req(R2,R3) = 100Ω and R₄ = 150Ω are in parallel.
Combine them:

1Req = 1R₁ + 1R₂ + …
1Req = 1100 + 1150
1Req = 0.010 + 0.0067 = 0.0167
Req = 10.0167 = 60 Ω
After Step 2
Simplified: R1=20Ω in series with Req(R2R3R4)=60Ω
Mixed Circuit Example
3

Continue Simplifying

After Step 2
R1=20Ω series with Req=60Ω

R₁ and Req(R2,R3,R4) are in series.
Combine them:

Req = R₁ + Req(R2,R3,R4)
Req = 20 + 60
Req = 80 Ω
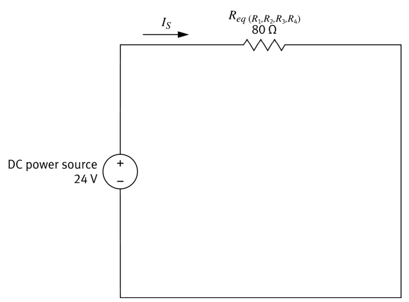
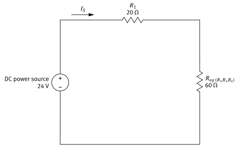
Fully Simplified
Single equivalent resistor Req(R1R2R3R4) = 80Ω at 24V
Mixed Circuit Example

Now Work Backwards

Fully simplified equivalent circuit used as the starting point for back-solving

Now that we have simplified the circuit, we can work backwards to find the parameters of all of the resistors in the original circuit.

  • Start from the equivalent circuit to find total current.
  • Use that current to recover branch voltages and currents.
  • Continue step-by-step until each resistor value is accounted for.
Mixed Circuit Example
4

Calculate Total Current IS

Single Req = 80Ω at 24V
Ohm's Law
Ohm's Law triangle V=IR
I = VR

Once reduced to a single equivalent resistor, apply Ohm's Law directly.

IS = ESReq
= 2480 = 0.30 A
Total Source Current

IS = 0.30 A

Mixed Circuit Example
5

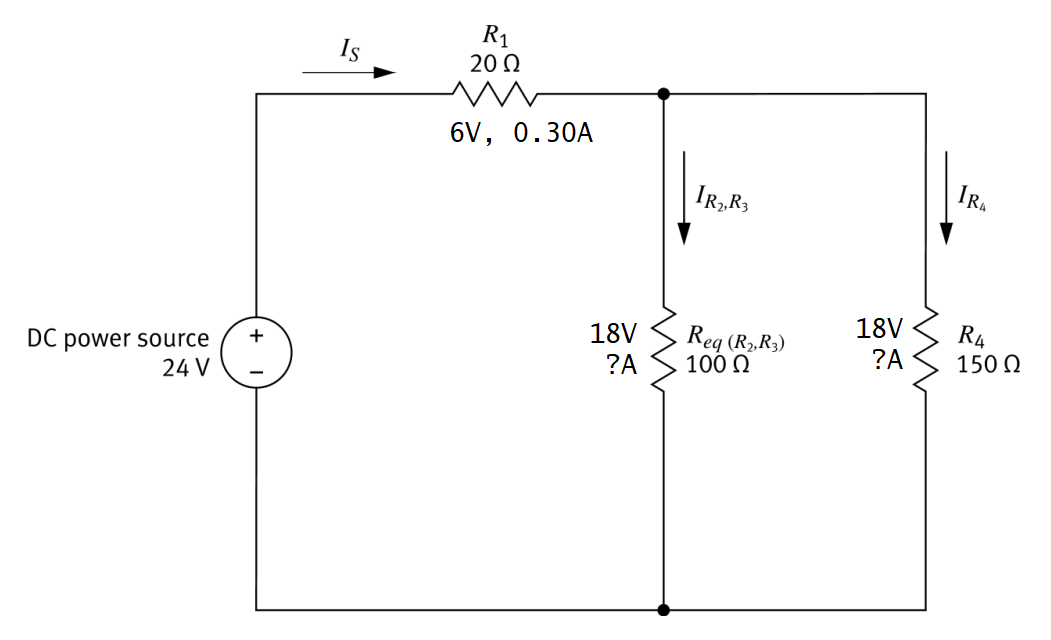
Work Backwards — Voltage Drops

R1=20Ω series with Req=60Ω, Iₛ=0.30A
Ohm's Law
V = IR triangle
V = I × R

IS = 0.30A flows through both series components.
Find the voltage across each one.

R₁ = 20 Ω :
ER₁ = IS × R₁
ER₁ = 0.30 × 20
ER₁ = 6 V
Req = 60 Ω :
EReq = IS × Req
EReq = 0.30 × 60
EReq = 18 V
KVL Check
18 + 6 = 24 V ✓
Mixed Circuit Example
5

Parallel Branch Currents

Req(R2R3)=100Ω parallel to R4=150Ω with E=18V
Ohm's Law
I = V/R
I = VR

Voltage across the parallel section = 18V.
Both branches share this voltage.

Req(R2,R3) = 100 Ω :
IReq = ESReq
= 18100 = 0.18 A
R₄ = 150 Ω :
IR₄ = ESR₄
= 18150 = 0.12 A
KCL Check
0.18 + 0.12 = 0.30 A ✓
Mixed Circuit Example
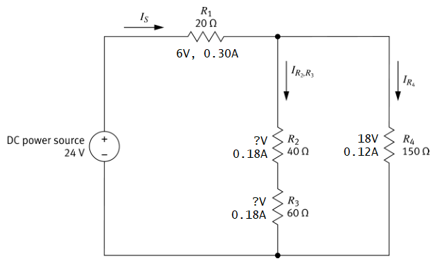
5

Voltage Across R₂ and R₃

Original mixed circuit for reference
Ohm's Law
V = IR
V = I × R

Current through the R₂–R₃ series branch = 0.18A.
Find voltage across each.

R₂ = 40 Ω :
ER₂ = IR₂R₃ × R₂
ER₂ = 0.18 × 40
ER₂ = 7.2 V
R₃ = 60 Ω :
ER₃ = IR₂R₃ × R₃
ER₃ = 0.18 × 60
ER₃ = 10.8 V
KVL Check
10.8 + 7.2 = 18 V ✓
Mixed Circuit Example

Example Complete

Completed circuit analysis with all resistor parameters identified

When you know all 3 parameters for each resistor, you are done.

Your Turn

Your Turn

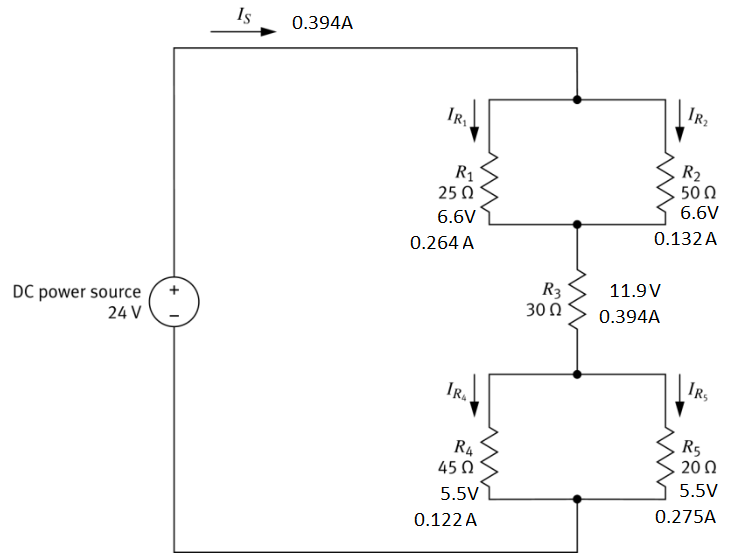
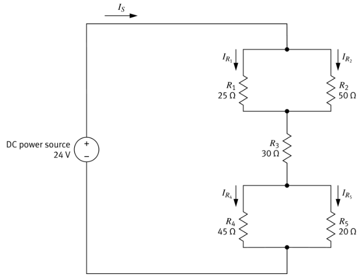
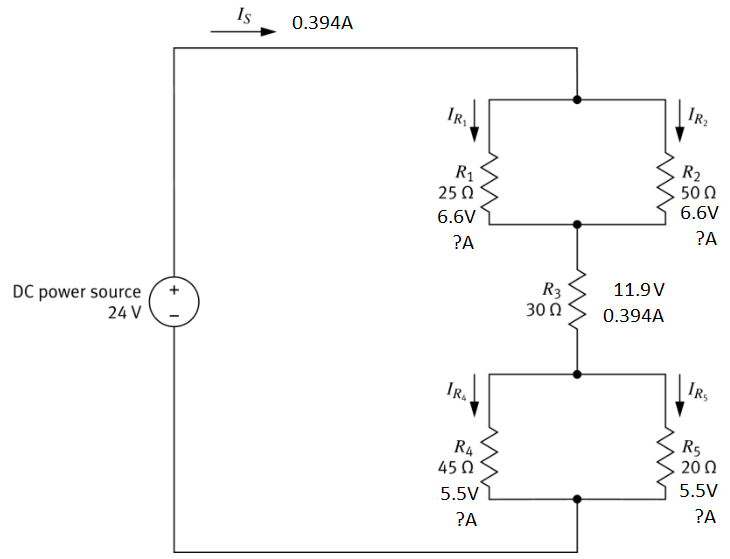
Mixed circuit: 24 V DC source, R1=25Ω and R2=50Ω in parallel, R3=30Ω in series, R4=45Ω and R5=20Ω in parallel

What steps would you take to solve this circuit?

1. Simplify Parallel Resistors (R₁ & R₂) then (R₄ & R₅)
2. Simplify the Series of Equivalent Resistors
3. Calculate the parameters at each resistor (in reverse order)
Your Turn · Step 1
1

Solve the Parallel Resistor Pairs

Original mixed circuit

This circuit has two parallel sections. Use the reciprocal formula to find each equivalent resistance.

R₁ ∥ R₂
25 Ω ∥ 50 Ω
R₄ ∥ R₅
45 Ω ∥ 20 Ω
Your Turn · Step 1
1

Parallel Formula

Original mixed circuit

For any parallel combination, find the reciprocal of each resistance, sum them, then take the reciprocal of the result.

Reciprocal Formula
1Req = 1R₁ + 1R₂ + …
Req = 1result
Your Turn · Step 1
1

Parallel Pairs Simplified

Simplified series circuit: Req(R1,R2)=16.7 Ω, R3=30 Ω, Req(R4,R5)=13.8 Ω
R₁ ∥ R₂
1Req = 125 + 150
1Req = 0.04 + 0.02 = 0.06
Req = 10.06
Req = 16.7 Ω
R₄ ∥ R₅
1Req = 145 + 120
1Req = 0.022 + 0.05 = 0.072
Req = 10.072
Req = 13.8 Ω
Your Turn · Step 2
2

Simplify the Series Resistors

Three series resistors: Req(R1,R2)=16.7Ω, R3=30Ω, Req(R4,R5)=13.8Ω

Three resistors remain in series. How do you find the total equivalent resistance?

Req(R₁,R₂) = 16.7 Ω
R₃ = 30 Ω
Req(R₄,R₅) = 13.8 Ω
Your Turn · Step 2
2

Series Formula

Three series resistors

For series resistors, simply add all values together.

Series Formula
Req = R₁ + R₂ + R₃ + …
Your Turn · Step 2
2

Total Equivalent Resistance

Fully simplified single-resistor circuit: Req = 60.6 Ω

The entire circuit reduces to a single equivalent resistor.

Substitution
Req = Req(R₁,R₂) + R₃ + Req(R₄,R₅)
Req = 16.7 + 30 + 13.8
Req = 60.6 Ω
Your Turn · Step 3
3

Calculate Parameters in Reverse

Single equivalent circuit — starting point for reverse calculation

Now work backwards through each simplification step to find voltage, current, and resistance at every resistor.

Find total source current IS
Find voltage drop across each series section
Find individual currents through each parallel branch
Your Turn · Step 3
3

Total Source Current — Formula

Single equivalent circuit: Req = 60.6 Ω, V = 24 V
Ohm's Law
Ohm's Law triangle: V = I × R
IS = VReq

We know the total voltage and total equivalent resistance. Use Ohm's Law to find the source current.

Your Turn · Step 3
3

Total Source Current — Solution

Single equivalent circuit: Req = 60.6 Ω, V = 24 V
Ohm's Law
Ohm's Law triangle: V = I × R
IS = VReq

Substitute the known values.

Substitution
IS = VReq
IS = 24 V60.6 Ω
IS = 0.396 A
Your Turn · Step 3
3

Section Voltages — Formula

Three series sections — apply V = I × R to each
Ohm's Law
Ohm's Law triangle: V = I × R
V = IS × R

IS = 0.396 A flows through every series section. Use Ohm's Law to find the voltage drop across each.

Your Turn · Step 3
3

Section Voltages — Solutions

Three series sections with Is = 0.396 A
Ohm's Law
Ohm's Law triangle: V = I × R
V = IS × R

Substitute IS = 0.396 A into V = I × R for each section.

VR₁,R₂
V = 0.396 × 16.7
V = 6.6 V
VR₃
V = 0.396 × 30
V = 11.9 V
VR₄,R₅
V = 0.396 × 13.8
V = 5.5 V
KVL Check
6.6 + 11.9 + 5.5 = 24 V ✓
Your Turn · Step 3
3

Branch Currents — Formula

Original circuit — find currents through each parallel branch
Ohm's Law
Ohm's Law triangle: V = I × R
I = VR

Each parallel section shares its section voltage. Use Ohm's Law to find the current through each individual branch.

Your Turn · Step 3
3

Branch Currents — Solutions

Original circuit — find currents through each parallel branch
Ohm's Law
Ohm's Law triangle: V = I × R
I = VR

Substitute each section voltage and branch resistance.

R₁ (V = 6.6 V)
IR₁ = 6.625
IR₁ = 0.264 A
R₂ (V = 6.6 V)
IR₂ = 6.650
IR₂ = 0.132 A
R₄ (V = 5.5 V)
IR₄ = 5.545
IR₄ = 0.122 A
R₅ (V = 5.5 V)
IR₅ = 5.520
IR₅ = 0.275 A
KCL Check
R₁+R₂: 0.264 + 0.132 = 0.396 A ✓
R₄+R₅: 0.122 + 0.275 ≈ 0.396 A ✓
Your Turn

Example Complete

Original mixed circuit with all parameters solved

Once all resistors have all 3 parameters, you are done.

Why Does This Matter?

Why Do We Simplify Circuits?

When a circuit has many components, it can be complicated to analyze directly. By replacing groups of resistors with their equivalent resistance, we simplify the circuit into something we can easily analyze with Ohm's Law.

Once we know the total current and voltage, we can work back through the circuit to determine what is happening at every component.

  • Predict current and voltage in each part of a circuit
  • Design circuits that operate safely without overheating components
  • Verify a circuit is working correctly by comparing measured values to calculated ones
  • Troubleshoot electrical systems by identifying when currents or voltages are not what they should be
Why Does This Matter?

Real Systems

In real systems like cars, appliances, and electronic devices, circuits are rarely simple.

They usually contain many series and parallel components, and the only practical way to understand them is to simplify and analyze them step by step.