AR1 · DC Circuits · Exercise 6

Solving Series Circuits
& Kirchhoff's
Voltage Law

Learning Outcomes

After this exercise, you will be able to:

01 Calculate the equivalent resistance of multiple resistors in series circuits
02 State Kirchhoff's voltage law
03 Apply Kirchhoff's voltage law to electrical circuits
04 Explain the principles of operation of voltage dividers
Topics Covered
  • Calculating the equivalent resistance in series circuits
  • Kirchhoff's voltage law
  • Voltage dividers
Equivalent Resistance

Resistors in Series

  • In a series circuit, there is only one path for current to flow
  • The current through every component is equal
  • With multiple loads, the equivalent resistance equals the combined resistance of all loads
The equivalent resistance of any resistors connected in series is simply equal to the sum of all their resistance values.
Req = R1 + R2 + ··· + Rn
Equivalent Resistance · Worked Example

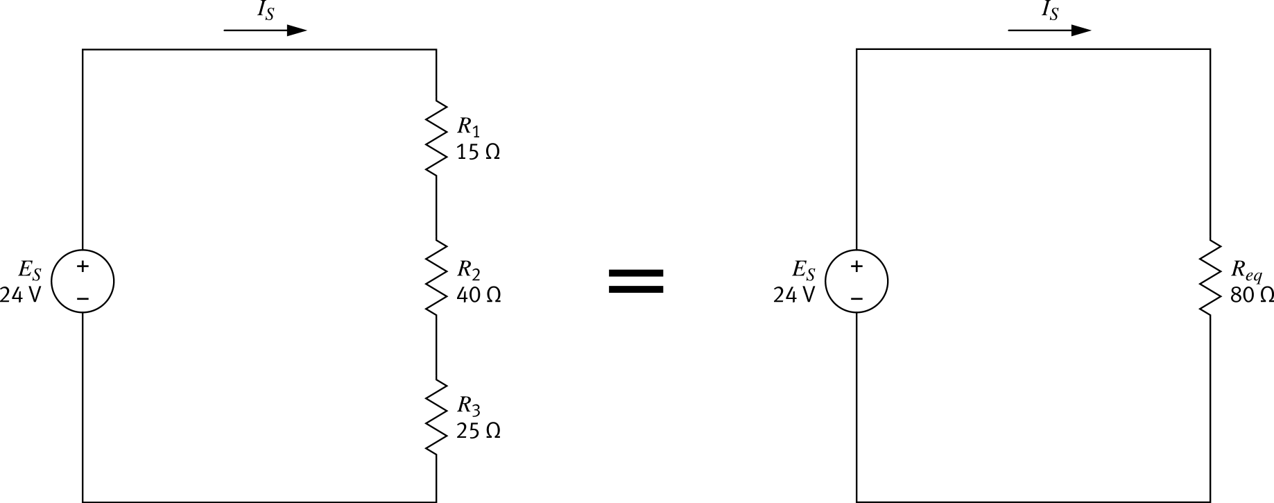
Example Series Circuit Simplification

Figure 101: Calculating equivalent resistance of series resistors
  • Step 1 — Equivalent Resistance
    Req = R1 + R2 + R3
    Req = 15 Ω + 40 Ω + 25 Ω
    Req = 80 Ω
  • Step 2 — Circuit Current (Ohm's Law)
    IS = ES / Req
    IS = 24 V / 80 Ω
    IS = 0.30 A
  • Both circuits carry the same 0.30 A. They have the same Req of 80 Ω.
Kirchhoff's Voltage Law

Kirchhoff's
Voltage Law

Described by German physicist Gustav Kirchhoff, this law is fundamental to the study of series circuits.

The sum of all voltages in a
closed circuit loop equals 0 V

In practice: the sum of the voltage drops across all loads equals the supply voltage.

Portrait of Gustav Kirchhoff Gustav Kirchhoff (1824 – 1887)
Kirchhoff's Voltage Law · Polarity

Voltage Drops and Polarity

  • Voltage across a passive element (resistor) is a voltage drop
  • Its polarity is inverted with respect to the power source
  • If source voltage is +24 V, the voltage across the load is −24 V
  • The + terminals oppose each other in the circuit (+ against +, − against −)
ES + ER = 0 V
24.0 V + (−24.0 V) = 0 V
Figure 103: KVL applied to a circuit with a single resistor
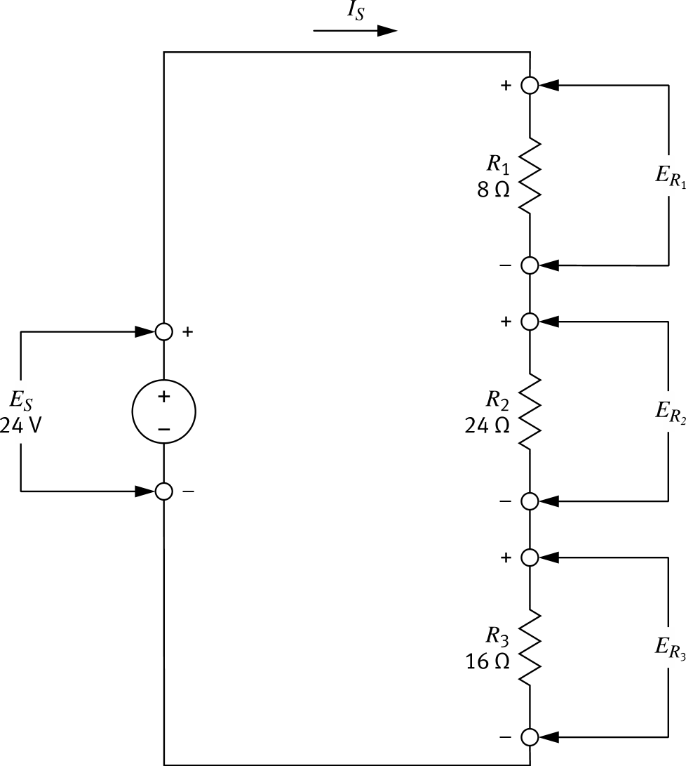
Kirchhoff's Voltage Law · Example

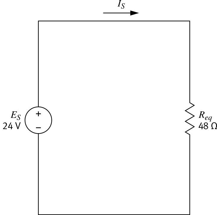
Three-Resistor Series Circuit

KVL applied to a series circuit with three resistors
Equivalent circuit with single 48 Ω resistor
KVL applied to a series circuit with three resistors
  • Given
    ES = 24 V ,  R1 = 8 Ω ,  R2 = 24 Ω ,  R3 = 16 Ω
  • Step 1 — Find Req
    Req = R1 + R2 + R3 = 8 + 24 + 16 = 48 Ω
  • Step 2 — Find IS
    IS = VReq IS = 24 V48 Ω = 0.50 A
  • Step 3 — Voltage across each R
    ER = IS × R ER1 = 0.50 × 8  = 4.00 V ER2 = 0.50 × 24 = 12.0 V ER3 = 0.50 × 16 = 8.00 V
Kirchhoff's Voltage Law · Verification

Verify the Law Holds

KVL applied to a series circuit with three resistors
The sum of all voltages in a
closed circuit loop equals 0 V
ES + ER1 + ER2 + ER3 = 0V
24.0V + (−4.00V) + (−12.0V) + (−8.00V) = 0V
Kirchhoff's voltage law is verified — the algebraic sum of all voltages around any closed loop is always zero.
Voltage Dividers

What is a Voltage Divider?

Kirchhoff's voltage law is used in electronics and electrical engineering to build voltage dividers — circuits that produce an output voltage equal to a fraction of the input voltage.

  • The output can be set to any value from 0 V up to the supply voltage
  • Output voltage depends on the ratio of resistances, not the absolute values alone
  • Three common configurations: two fixed resistors, rheostat + resistor, and a potentiometer
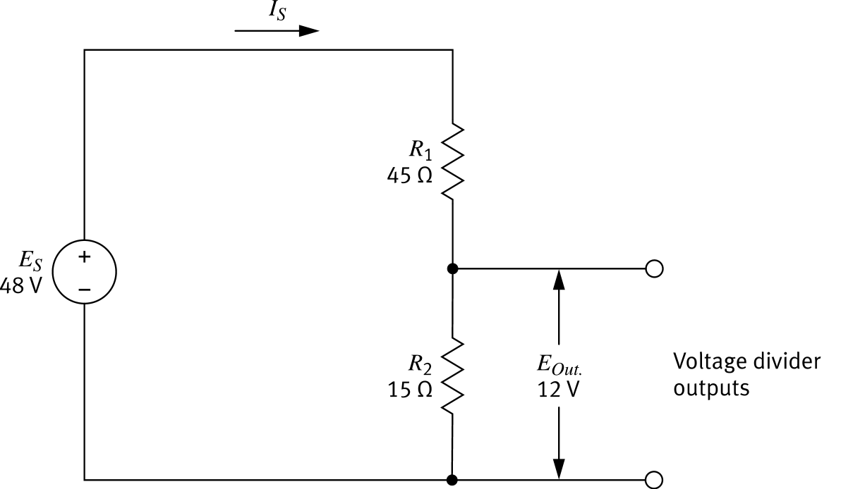
Voltage Dividers · Fixed Resistors

Two-Resistor Voltage Divider

  • Output terminals connect across R2 (the lower resistor)
  • Voltage across each resistor depends on its resistance ratio relative to Req
  • With R1 = 45 Ω, R2 = 15 Ω, ES = 48 V:
    Eout = ES × R2Req Eout = 48 V × 15 Ω45 Ω + 15 Ω = 12 V
  • Swap R1 for 30 Ω → 16 V
  • Swap R1 for 15 Ω → 24 V
Carefully selecting resistor values lets you tailor the output voltage for any application.
Figure 105: Voltage divider circuit with two fixed resistors
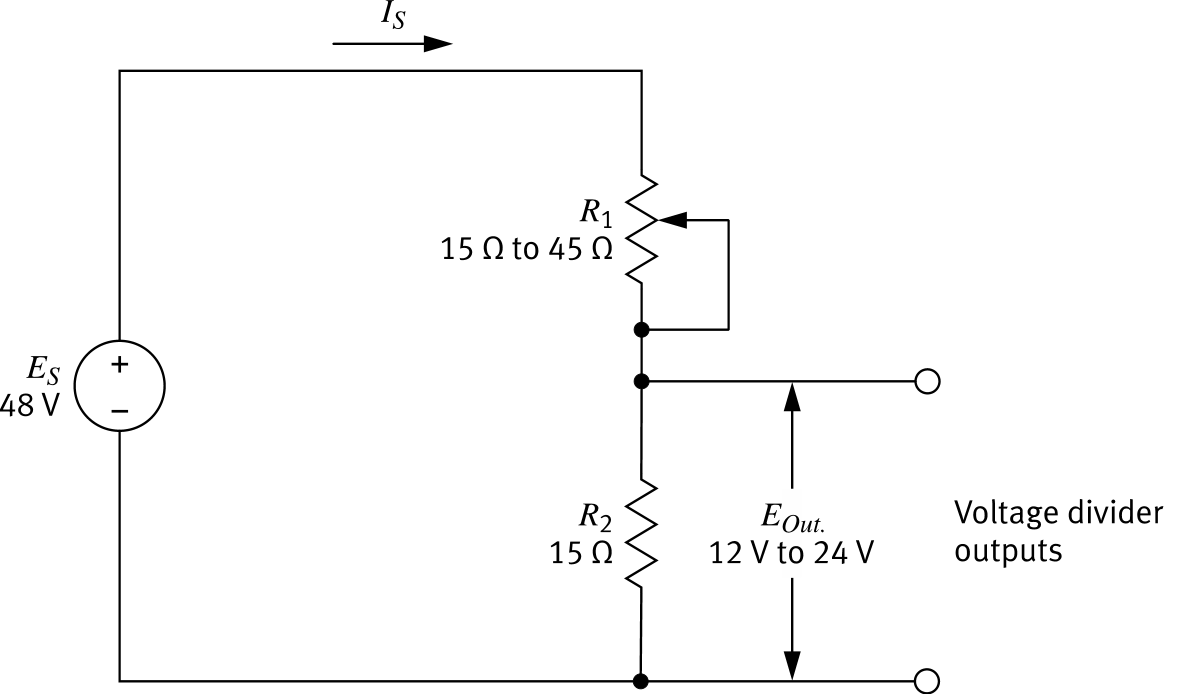
Voltage Dividers · Variable

Rheostat & Resistor Divider

  • R1 is a rheostat — its resistance can be dynamically adjusted
  • R2 is a fixed resistor providing the output terminals
  • The same divider can serve multiple purposes or supply a variable-voltage load
  • With R2 = 15 Ω and ES = 48 V:
    Eout = ES × R2Req R1 = 45 Ω → Eout = 48 V × 15 Ω60 Ω = 12 V R1 = 15 Ω → Eout = 48 V × 15 Ω30 Ω = 24 V
Figure 106: Variable voltage divider with rheostat and resistor
Voltage Dividers · Potentiometer

Potentiometer Voltage Divider

  • A potentiometer's wiper physically divides it into two resistors with their Req equalling the total resistance
  • Resistance values on each side depend on wiper position
  • The higher the resistance across the output branch, the higher the output voltage
  • With ES = 48 V, total pot = 60 Ω:
    If we set R1, then R2 = 60 Ω − R1 Eout = ES × R2Req R1 = 0 Ω Eout = 48 V × 60 Ω60 Ω = 48V R1 = 60 Ω Eout = 48 V × 0 Ω60 Ω = 0V
Figure 107: Variable voltage divider using a potentiometer
A potentiometer provides a continuously variable output across the full supply range.