Exercise 5

Resistance &
Ohm's Law

Learning Outcomes
01
Define resistance and measure it using an ohmmeter
02
State and apply Ohm's law to calculate voltage, current, and resistance
03
Define conductors, insulators, short circuits, open circuits, and continuity
04
Define electrical power and calculate it using P = EI
05
Operate the AC/DC Training System resistor component
06
Operate the variable resistor and buzzer components
Discussion Outline
  • The notion of resistance
  • Conductors and insulators
  • Resistance measurement using an ohmmeter
  • Ohm's law
  • Short circuits, open circuits, and continuity
  • The notion of electrical power
  • Training system component: the resistor
  • Training system component: the variable resistor
  • Training system component: the buzzer
The Notion of Resistance

What is Resistance?

Resistance is the opposition a material offers to the flow of current. The higher the resistance, the more it impedes electron flow.

Resistance is measured in ohms (Ω), named after German physicist and mathematician Georg Ohm, who discovered the relationship between voltage, current, and resistance.

Resistance is denoted by the letter R.

Georg Ohm portrait
The Notion of Resistance

Water Tank Analogy

Resistance is analogous to the size of a water discharge tube. A wide tube (low resistance) lets more water flow; a narrow tube (high resistance) restricts flow.

Analogy
Electrical charge ↔ water capacity
Voltage ↔ water pressure
Current ↔ water flow rate
Resistance ↔ tube diameter
Water tank analogy diagram
The Notion of Resistance

Resistance Affects Current

For the same voltage, a low-resistance circuit allows a high current to flow, while a high-resistance circuit restricts the current to a low value.

Key relationship: Higher resistance → lower current for the same voltage.
Battery circuit high vs low resistance
Conductors and Insulators

Two Categories of Materials

Conductors

Low resistance: easily allow current to flow. Most metals are good conductors; copper is by far the most common. Used in electrical wires and transmission lines.

Insulators

High resistance: impede or prevent current flow. Examples: glass, paper, Teflon, plastics, ceramic. Used in circuit boards, wire sleeves, and transmission line coatings.

Copper wire coils
Conductors and Insulators

Insulators in Practice

High-voltage cable cross section

Electrical cables use insulating plastic or rubber sleeves around each conductor to prevent short circuits and protect against accidental contact.

Transmission line insulators

Porcelain or glass insulators on transmission towers keep high-voltage wires electrically isolated from the metal structure and the ground.

Resistance Measurement

The Ohmmeter

Resistance is measured using an ohmmeter. Like a voltmeter, it is connected in parallel across the two points where resistance is to be measured.

Important: Only use an ohmmeter in circuits whose power source is removed. Measuring with power on can damage the meter and give inaccurate readings.

The ohmmeter applies a small voltage, measures the resulting current, then uses Ohm's law internally to display resistance.

Ohmmeter measuring indicator light
Resistance Measurement

Ohmmeter Circuit Symbol

In circuit diagrams, the ohmmeter is represented by a circle containing the Ω symbol. This circuit shows the same indicator light measurement as the previous slide, this time using the schematic symbol.

ComponentSymbol
Ohmmeter Omega symbol
Ohmmeter schematic circuit
Ohm's Law

Ohm's Law

I  =  E R
Variable
Description
Measured in
I
current flowing in the conductor
amperes (A)
E
voltage applied across the conductor
volts (V)
R
resistance of the conductor
ohms (Ω)

For a given resistance, current is directly proportional to voltage: double the voltage, double the current.

Ohm's Law

Reformulating the Equation

Ohm's law can be rearranged to solve for any of the three variables when the other two are known:

Find current I =  E R
Find voltage E = I × R
Find resistance R =  E I
Memory tip: Cover the quantity you want to find in the triangle; the remaining two show the calculation.
Ohm's law triangles
Ohm's Law

Worked Examples

DC circuit with indicator light
Ohm's law triangle
Find Current Given ES = 24 V,  R = 50 Ω Formula I = ER Sub I = 24 V50 Ω Answer I = 0.48 A
Find Voltage Given IS = 0.8 A,  R = 62.5 Ω Formula E = I × R Sub E = 0.8 A × 62.5 Ω Answer E = 50 V
Find Resistance Given ES = 100 V,  IS = 0.25 A Formula R = EI Sub R = 100 V0.25 A Answer R = 400 Ω
Short Circuits, Open Circuits & Continuity

Short Circuits

A short circuit occurs when current flows along an unintended path with very low resistance, bypassing the load. This causes circuit resistance to approach 0 Ω.

Using Ohm's law: I = E R   as R → 0, I becomes extremely high

Overheating wires and potentially damaging equipment.

Detect a short circuit by measuring resistance across the suspect points with an ohmmeter. A reading of 0 Ω or near 0 Ω confirms a short circuit.

Overheated wire from short circuit
Short Circuits

Effects of a Short Circuit

In a normal circuit (a), current flows through the house load. The house resistance limits how much current flows.

When a short circuit occurs (b), current takes the low-resistance bypass path — skipping the house entirely. With almost no resistance, current spikes to a dangerously high level.

A real-world example: a tree falling across two transmission lines, connecting them directly and bypassing all downstream loads.
Circuit illustrating effects of a short circuit
Short Circuits, Open Circuits & Continuity

Open Circuits

An open circuit occurs when there is no path for current to flow; the circuit resistance is infinite.

Using Ohm's law: I = E R  as R → ∞, I = 0 A

Open circuits can be intentional (an open switch) or accidental (faulty connections or a burned-out light bulb filament).

Detection: Measure resistance across the suspect points. An infinite (∞ or OL) reading on the ohmmeter confirms an open circuit.
Incandescent light bulb anatomy
Short Circuits, Open Circuits & Continuity

Continuity

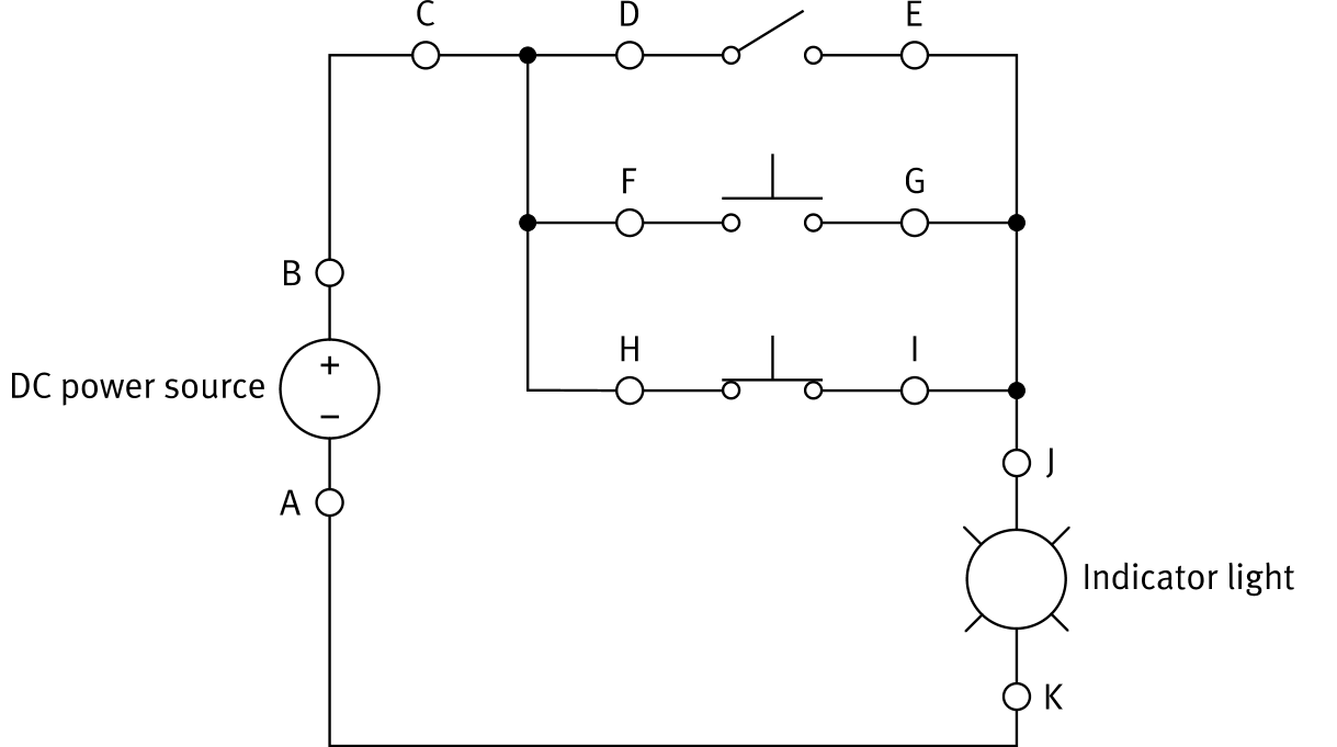
Continuity between two points means current can flow; the resistance is anything but infinite. Testing for continuity is a key troubleshooting technique. Let's check for continuity between pairs of test points in this circuit.

B–C Continuity through the wire
D–E No continuity: toggle switch is open
F–G No continuity: NO push-button is open
H–I Continuity: NC push-button is closed
C–J Continuity: one switch is still closed
J–K Continuity: indicator light has finite R
Continuity measurement circuit
Is there really no continuity between D–E and F–G?
Complicated circuits can hide other paths.
Electrical Power

What is Power?

Power is the rate at which work is produced. Electrical power is measured in watts (W), named after Scottish engineer James Watt.

Power is denoted by the letter P. A power source supplies power to loads, which transform it:

  • a light bulb converts it to heat & light
  • a motor converts it to mechanical power

These transformations are never 100% efficient. Some power is always lost as heat.

James Watt portrait
Electrical Power

The Power Equation

P = E × I
Variable
Description
Measured in
P electrical power supplied or consumed watts (W) E voltage of source or applied to load volts (V) I current of source or flowing in load amperes (A)
Combined with Ohm's law, any parameter (P, E, I, R) can be found from any other two. See the power circle chart.
Power circle chart
Electrical Power

Power Calculations

Power circuit diagram Power circle P/E/I/R
Find Power Given EL = 40 V,  RL = 50 Ω Formula P = R Sub P = 40²50 Ω  = 160050 Answer P = 32 W
Find Current Given P = 40 W,  RL = 25 Ω Formula I = PR Sub I = 4025 = 1.6 Answer I ≈ 1.26 A
Source Rating Given EDC = 24 V,  IDC = 4 A Formula P = E × I Sub P = 24 V × 4 A Answer P = 96 W
Warning: Drawing more power than the source's rating can cause overheating and serious damage.
Training System Component

The Resistor

Resistors are designed to have a specific resistance value. They limit current and convert electrical power to heat.

Resistor 162 Ω  ·  ±5%
Resistor 2 & 3120 Ω  ·  ±5%
Resistor 4200 kΩ  ·  ±1% (capacitor exercises)
ComponentSymbol
Resistor Resistor symbol
Selection of resistors
Training System Component

The Variable Resistor

A variable resistor has an adjustable resistance. It can control current or act as a voltage divider.

  • Rheostat: two terminals, used for current control
  • Potentiometer: three terminals, also allows voltage division
TypePotentiometer
Range0 Ω to 125 Ω
Tolerance±10%
ComponentSymbol
Rheostat Potentiometer symbol
Potentiometer Potentiometer symbol
Variable resistor side view
Training System Component

The Buzzer

An electromechanical buzzer emits an audible sound when powered. The training system uses a piezoelectric buzzer. Voltage applied to a piezoelectric material creates pressure oscillations that produce sound.

TypePiezoelectric
Nominal voltage24 V DC
ComponentSymbol
Buzzer Buzzer symbol
Piezoelectric buzzer
Exercise 5: Summary

Key Takeaways

Resistance

Opposition to current flow. Measured in ohms (Ω) with an ohmmeter connected in parallel.

Conductors

Low-R materials (metals, copper) that allow current to flow easily.

Insulators

High-R materials (glass, plastic, ceramic) that block current flow.

Ohm's Law
Ohm's law triangle

I = E/R  ·  E = IR  ·  R = E/I
Current ∝ voltage for constant R.

Power
Power circle P/E/I/R

P = EI (watts). Combined with Ohm's law: P = E²/R or P = I²R.

Faults

Short circuit:
  R ≈ 0, dangerously high I.

Open circuit:
  R = ∞, I = 0 A.